当前位置: 首页 > 产品展示 > 蜗轮减速机 > 正文

阳CWU蜗轮蜗杆减速机

浏览次数:281420     时间:2017-10-22


CWU型圆弧齿圆柱蜗杆减速机,采用齿廓截面为圆弧形的圆柱蜗杆轮齿形与蜗杆共轭,适用于冶金、矿山、起重运输、化工、建筑等各种机械设备的减速传动。本系列减速机输入功率范围在0.4-160之间;输出扭距11-1434kgfm之间,输入轴转数一般不大于1500r/min;速轴可正反两向运转;工作环境温度为-40℃~45℃;当工作环境温度低于0℃时,起动前润滑油必须加温到0℃以上。
标记示例:

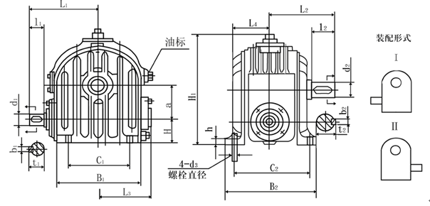
CWU63—CWU100型减速器外形和安装尺寸
型号\尺寸
a
B1
B2
C1
C2
h
H
H1
d3
i≤12.5
d1
I1
b1
t1
L1
63
63
148
180
115
150
12
54
220
M12
19js6
28
6
21.5
128
80
80
175
200
140
170
15
65
267
M12
24js6
36
8
27
151
100
100
218
230
175
190
15
80
322
M12
28js6
42
8
31
182
型号\尺寸
i≥16
d2
I2
b2
t2
L2
L3
L4
kg(不含油)
d1
I1
b1
t1
L1
63
19js6
28
6
21.5
128
32k6
58
10
35
135
97
70
19.5
80
24js6
36
8
27
151
38k6
58
10
41
143
110
81
28.5
100
24js6
36
8
27
176
42k6
82
12
45
182
130
95
43
CWU125—CWU500型减速器外形和安装尺寸
型号尺寸
a
B1
B2
B3
C1
C2
i≤12.5
i≥16
d1
I
b1
t1
L1
d1
I1
b1
t1
L1
125
125
260
250
310
220
205
32k6
58
10
35
218
28js6
42
8
31
202
140
140
285
275
345
230
225
38k6
58
10
41
228
28js6
42
8
31
212
160
160
325
300
385
230
250
42k6
82
12
45
277
32k6
58
10
35
253
180
180
350
320
420
260
270
42k6
82
12
45
292
32k6
58
10
35
268
200
200
400
350
465
280
300
48k6
82
14
51.5
324
38k6
58
10
41
300
225
225
440
380
505
325
325
48k6
82
14
51.5
342
38k6
58
10
41
318
250
250
510
410
575
370
350
55k6
82
16
59
380
42k6
82
12
45
380
280
280
570
460
645
420
400
60m6
105
18
64
430
48k6
82
14
51.5
407
315
315
640
530
715
470
445
65m6
105
18
69
470
48k6
82
14
51.5
447
355
355
730
580
805
540
490
70m6
105
20
74.5
515
55k6
82
16
59
492
400
400
790
620
880
620
530
75m6
105
20
79.5
545
60m6
105
18
64
545
450
450
885
680
985
700
580
80m6
130
22
85
625
65m6
105
18
69
600
500
500
1015
750
1115
760
640
90m6
130
25
95
680
70m6
105
20
74.5
655
型号尺寸
d2
I2
b2
t2
L2
L3
L4
L5
L6
h
H
H1
d3
重量(不含油)
125
55K6
82
16
59
222
202
133
153
147
30
125
408
M16
92
140
60m6
105
18
64
260
220
144
166
160
30
140
445
M16
120
160
65m6
105
18
69
270
245
156
186
172
35
160
510
M16
145
180
75m6
105
20
79.5
290
260
173
200
182
35
180
560
M20
200
200
80m6
130
22
85
325
295
180
235
197
40
200
650
M20
260
225
90m6
130
25
95
340
320
193
247
212
40
225
730
M20
320
250
100m6
165
28
106
385
360
209
285
228
45
225
785
M24
395
280
110m6
165
28
116
405
390
225
312
253
50
250
885
M24
530
315
120m6
165
32
127
420
430
242
352
289
50
280
980
M30
700
355
130m6
200
32
137
470
480
255
397
315
55
300
1085
M30
910
400
150m6
200
36
158
490
515
277
429
335
60
315
1175
M30
1200
450
170m6
240
40
179
560
575
299
484
367
65
355
1310
M36
1660
500
190m6
280
45
200
640
655
343
549
403
80
400
1450
M36
2330

友情链接: 减速机 B2B信息网 格鲁夫 冀ICP备19023093号-6
电子营业执照图标 电子营业执照